Карамышевская набережная 77 м2
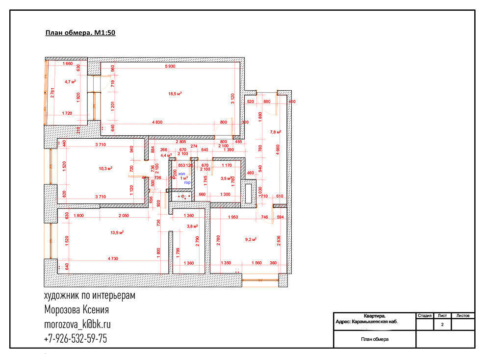
МЕСТОПОЛОЖЕНИЕ: Муниципальный монолитно-кирпичный дом расположен недалеко от Серебряного бора и Москва-реки. . . ОБЩАЯ ПЛОЩАДЬ КВАРТИРЫ: До ремонта - 77,1 м2, из них жилая 42,7 м, кухня-9,2 м2. После перепланировки я сделала евро-квартиру с двумя спальнями. Объединила кухню, столовую и гостиную -32 м2, спальня вместе с гардеробной - 17,08 м2 и гостевая комната -10,40 м2. . . ИСХОДНЫЕ ДАННЫЕ: квартира приобретена на вторичном рынке. . . СТИЛЬ: современный с легким намеком на лофт. Приоритет отдан общему и свободному пространству. . . СТАТУС: реализован в 2014 году . . КАК НАШЁЛ ЗАКАЗЧИК: по рекомендации . . УСЛУГИ, КОТОРЫЕ Я ОКАЗАЛА: дизайн-проект квартиры и несколько консультаций во время ремонта. . . ЗАДАЧА: создать удобную квартиру для молодого человека, к которому приходит много друзей. . . . КАК РЕШИЛА ЗАДАЧУ: . Гостиная . * объединила кухню, столовую и гостиную в единое пространство, что дало возможность гостям беспрепятственно перемещаться и общаться на тусовках. . * поставила большой угловой диван (около трёх метров) с удобными подлокотниками, на котором размещается до 8 человек во время просмотра фильма. . . Кухня . * спроектировала барную стойку со стульями для друзей-любителей коктейлей. . . Столовая . * за обеденным столом в собранном виде комфортно могут трапезничать 6 человек. . . Спальня . * выполнена предельно просто. Здесь 2-спальная кровать, напольное зеркало, беговая дорожка и телевизор – всё необходимое для пассивного и активного отдыха. . . Гостевая комната . * изначально планировалась как кабинет, но позже решили, что нечего домой работу носить и комната стала гостевой. Она редко пустует. Друзья, родственники и мама говорят о том, что в зеленом цвете стен хорошо высыпаются. . . Прихожая . * звуки работы лифтовой шахты изолировала, сделав шумоизоляцию. . * одну из стен заставила шкафами под потолок. Они спрятали все вещи, есть даже пару скучающих пустующих полки. . . Санузел . * сделала совмещенный санузел с душевой кабиной. Заказчик хотел дождь с доставкой на дом. Исполнила желание – установила тропический душ. Получите, распишитесь. . * чтобы не утяжелять пространство санузла для стиральной машинки сделала глубокую нишу в стене. С другой стороны (в прихожей) на образовавшийся выступ разместила шкаф с накопительным баком. Так предусмотрела отключение горячей воды. . . Балкон . * оставила изолированным с входом из гостиной. Здесь, любуясь урбанистическим пейзажем, проводят время любители покурить и отдохнуть от шума. Зимой велосипеды оккупируют это пространство. . . Гардеробные . * Гардеробная у входа с удовольствием принимает верхнюю одежду и сумки гостей. Также хранит на постоянной основе внесезонную одежду, лыжи, чемоданы и вино-домино. . * Гардеробная в спальне аккуратно размещает личные вещи. . . . ЧЕМ ИНТЕРЕСЕН БЫЛ ПРОЕКТ . * ограниченный бюджет . * надо было органично вписать в новую концепцию уже существующую мебель - спальню, обеденный стол и тумбы с журнальным столиком. . * заказанную кухню Ikea и надо было спроектировать с учетом их размеров и особенностей и все это соединить с моей идеей. . * удалось поработать со сложными цветами коричневой гаммы. И даже кирпич решили покрасить в общий цвет стен. Сочетания разных фактур и оттенков коричневого позволило создать строгий, но теплый интерьер. . . . РЕЗУЛЬТАТ . Получилась теплая, гостеприимная квартира, где друзья любят собираться для общения и отдыха. . . МОЙ ИНСАЙТ . Заказчикам не стоит откладывать на потом или отказываться от декора (картины, настольные светильники, цветы и т.д.). Они завершают образ. Не все моменты проекта были сделаны до конца (не установили светильники над баром, не поставили консоль в гостиной). Грущу. . . . . С удовольствием решу Ваш квартирный вопрос . художник по интерьерам . Ксения Морозова . тел. 8-926-532-59-75 . morozova_k@bk.ru . .
44 фотографии












































