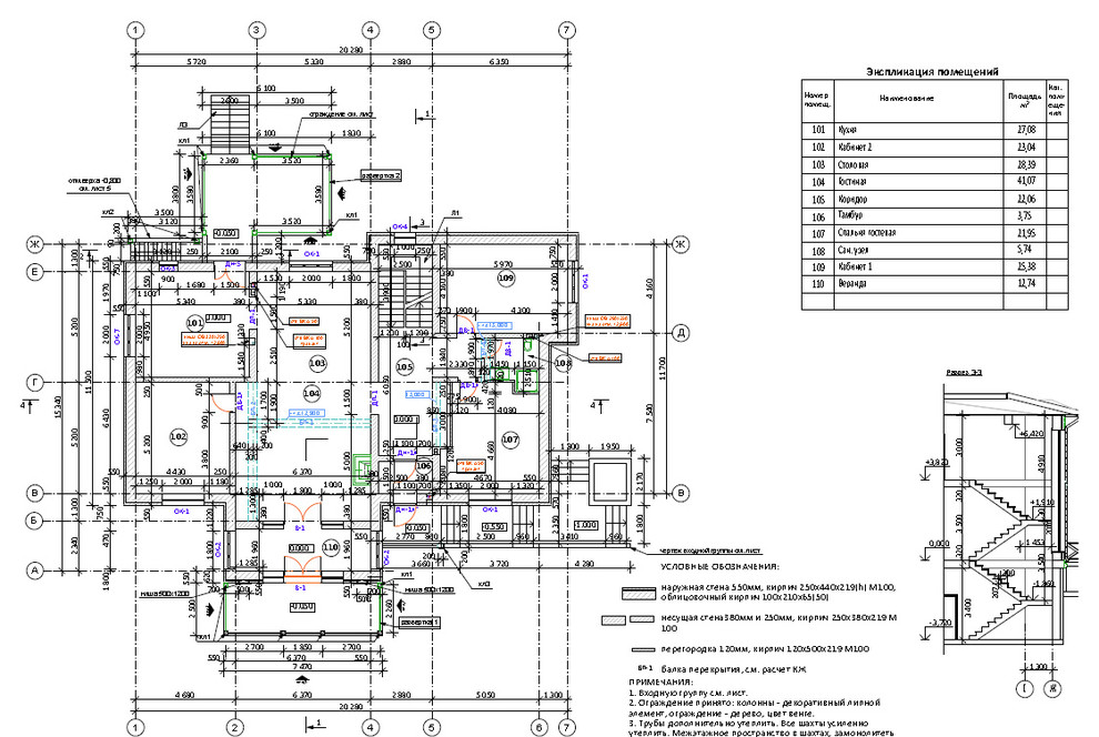
Другие фотографии в проекте Рабочий проект жилого дома 550 кв.м
Ещё 2 фото
Сначала новые
Вам ответят эксперты. Пришлем уведомление, когда вам ответят
Elena Monten
Архитекторы
3
отзыва
5
Рейтинг
Переходный
Москва