
Архитекторы
5
·
10 отзывов
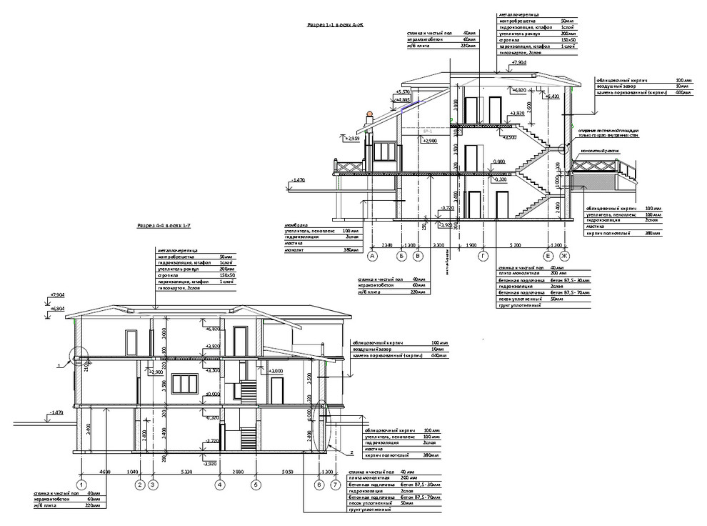
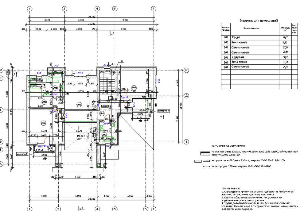
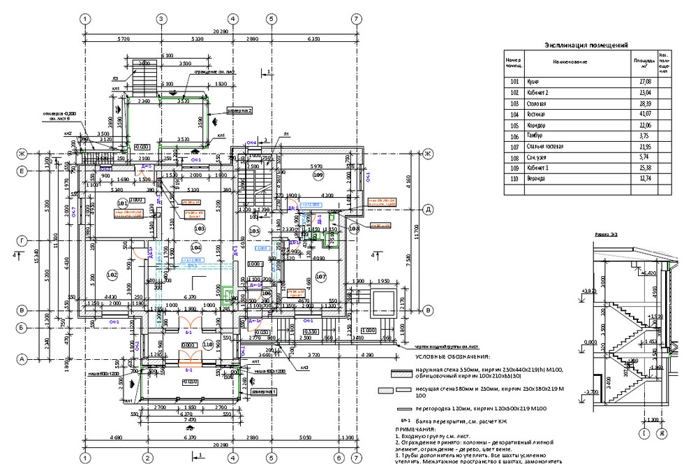
Рабочий проект жилого дома 550 кв.м
Разработка рабочего проекта для строительства жилого дома
Другие фотографии в проекте
Вопросы к фото 0
Задайте вопрос
Вам ответят эксперты. Пришлем уведомление, когда вам ответят
Москва, Переходный, Фасад дома, Фасады, планы этажей, рабочий проект
Похожие фотографии

Проект средиземноморского дома в Крыму
Павел Кошарный

Дом Oἶκος в Раздолье
Андрей Карапетян
Эскизный проект: Современный загородный дом в лесу + Интерьер
Михаил Конев
Усадьба в Златоусте
Ольга Вавилова

Уютный дом в средиземноморском стиле на Черном море
Задача стояла спроектировать дом на очень крутом склоне, перепад составил более 12 метров. Нам надо было не только удобно разместить дом и решить планировочные задачи, но и организовать места отдыха, беседку и бассейн. Мы организовали рельеф террасами и постарались избежать высоких подпорных стен. Получилось уютно и атмосферно и, что немаловажно, функционально.
Александра Штукатурова

Архитектурный проект фасада кафе
Андрей Панфутов

House boat
Наталия Ставратий

Загородный дом
Светлана Захарова

Проект 372 А «Дега»
СМОТРЕТЬ ВСЮ КОЛЛЕКЦИЮ: . http://www.alfaplan.ru/catalog/group_644/group_668/
Владимир Тарасов

Проект фасада для нотариуса
Стиль- классика.
Ирина Азаева

Проект фасада для нотариуса
Стиль- классика.
Ирина Азаева

Бани и баньки из бруса, бревна и лафета
Маленькие и большие бани и сауны, из рубленного и оцилиндрованного бревна, лафета, бруса. . . ✔️ для производителей срубов . ✔️ рубщиков . ✔️ строительных компаний . ✔️ бригад мастеров . ✔️ частных лиц . ✔️ банных комплексов . ✔️ загородных баз и мест отдыха . . Состав проектов: . Архитектурные решения, Конструкции деревянные / разбрусовка / разбревновка, схемы фундаментов, стропильные конструкции, балки пола. . Спецификации и карты раскроя сруба и конструкций. . . ?️ площадь: от 23 м2 до 750 м2 . . С моим подробным проектом Вы сможете: . ? произвести точный расчет стоимости сруба, монтажа и строительства в любой строительной компании или артели; . ?️ изготовить сруб и фундамент, произвести сборку сруба и конструкций; . ? сэкономить до 25% стоимости бани за счет точных данных по раскрою сруба и выбора наилучшего предложения; . . ⏳ быстро и качественно, с соблюдением норм, принципами комфортности и эргономики!
Денис Медведев




