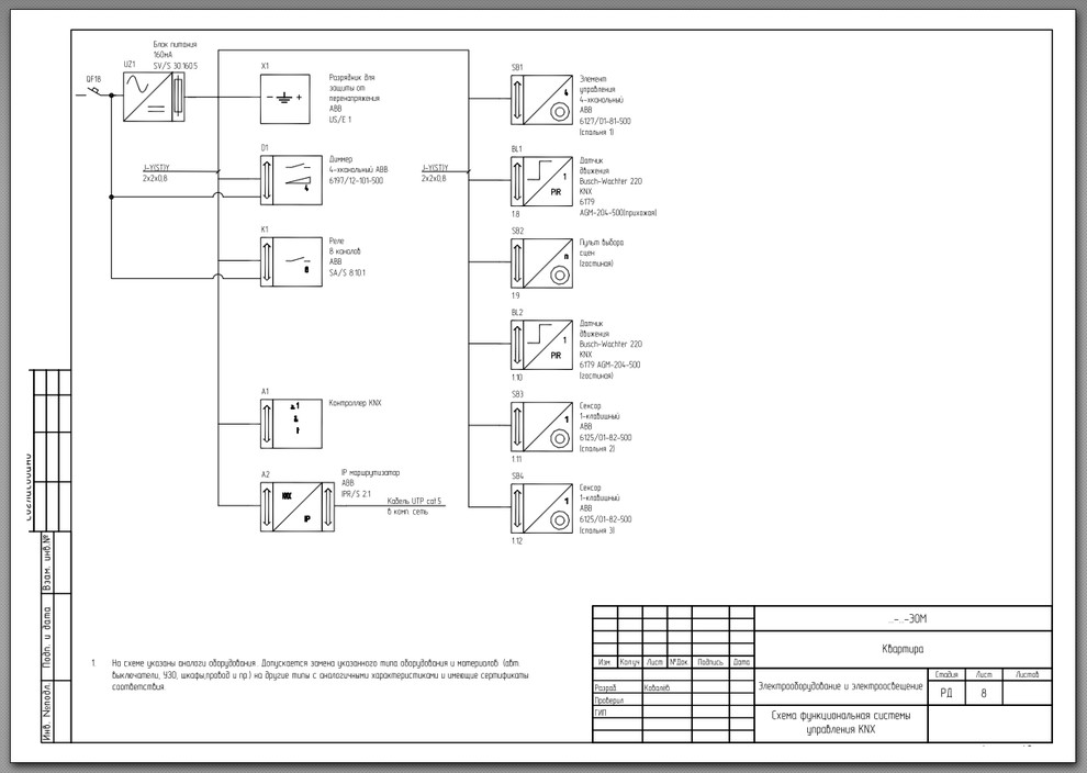
Электроснабжение квартиры, г.Москва, ЖК "Богородский"
Игорь

Игорь

Проектирование и строительство

5

·

10 отзывов

Другие фотографии в проекте

Вопросы к фото 0

Задайте вопрос

Вам ответят эксперты. Пришлем уведомление, когда вам ответят