Проектирование ОВиК

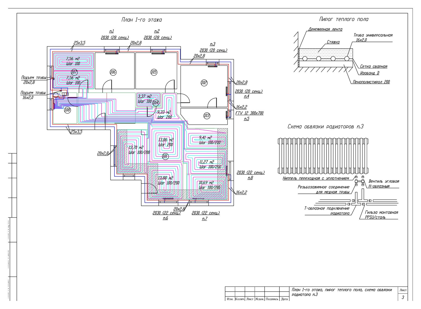
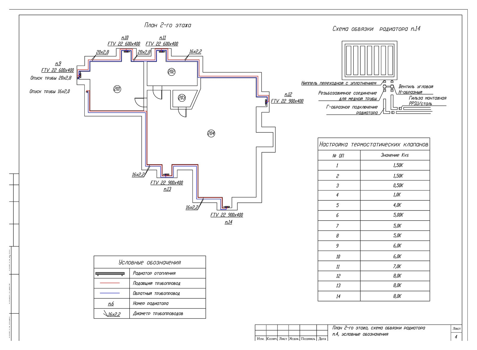
Небольшой коттедж под Тулой. Первый этаж отапливается теплым полом и радиаторами Arbonia, второй этаж - стальные панельные радиаторы.

Год реализации: 2017
Стоимость проектирования: 1 050 000
г. Тула
photo

7 фотографий

Проектирование ОВиК
Проектирование ОВиК
Проектирование ОВиК
Проектирование ОВиК
Проектирование ОВиК
Проектирование ОВиК
Проектирование ОВиК
Проектирование ОВиК
Проектирование ОВиК
Проектирование ОВиК
Проектирование ОВиК
До
Проектирование ОВиК
Проектирование ОВиК
До
Проектирование ОВиК
Фоновое изображение профиля Наталья
Фото профиля Наталья

НатальяНаталья

Проектирование и строительство

Все проекты