Приточно-вытяжная система вентиляции в обычной квартире. Итог.
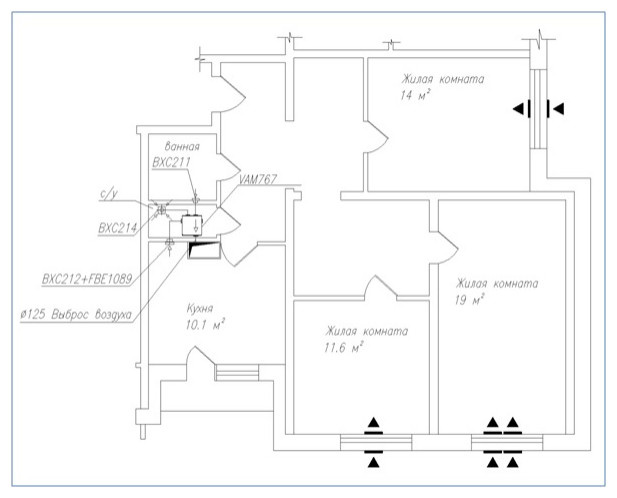
Приточно-вытяжная система вентиляции с естественным притоком и механическим удалением воздуха. . Приток организован с помощью оконных приточных клапанов. . Удаление воздуха организовано из подсобных помещений (санузел, ванная, кухня). Воздух их этих помещений "собирает" один мультизональный вентилятор, расположенный под подшивным потолком в санузле. Расходы воздуха регулируются автоматически, от датчика движения и датчика влажности. Работает постоянно, круглосуточно, круглогодично с 2009 года. Потребление эл.энергии 70Вт/ч. Никакого дискомфорта, никакой плесени и сквозняка.
Год реализации: 2008
г. Москва, бульвар Адмирала Ушакова, Юго-Западный административный округ
10 фотографий









