logo
Войти
Профиль пользователя

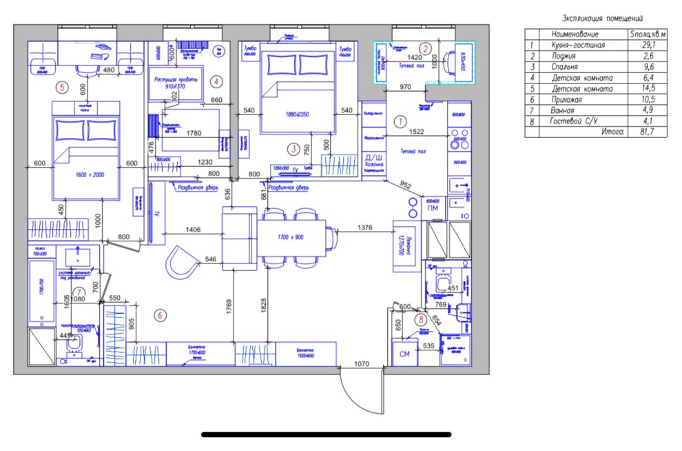
Планировка 3х комнатной квартиры

Год реализации: 2021
photo

2 фотографии

IMG_9813.PNG
IMG_9813.PNG
IMG_9814.PNG
IMG_9814.PNG
Фоновое изображение профиля Aleksandra Akimkina
Фото профиля Aleksandra Akimkina

Aleksandra AkimkinaAleksandra Akimkina

0

0 отзывов

Дизайнеры интерьера

Контакты

г. Москва, Проспект Вернадского

Все проекты

ЖК Зиларт

Квартира 57кв.м

Однушка_32кв.м

ЖК с панорамными окнами

Планировка 1 комнатной квартиры

Чертежи

Смотреть все
Флатика
О насМы в прессеFAQКонтактыМатериалыКарта сайта

«Флатика» в соцсетях:

ПинтерестМаксВкДзенTelegramTelegram Pro
Pro
Instagram

Продукт компании Meta, признанной экстремистской организацией, деятельность которой запрещена в РФ

Пользовательское соглашениеПолитика в отношении обработки персональных данных

© 2026 Flatica

ФотоЭкспертыСтатьи