logo
Строительство здания складирования материалов с административными помещениями
Александр Ечевский

Александр Ечевский

Проектирование и строительство

0

Строительство здания складирования материалов с административными помещениями

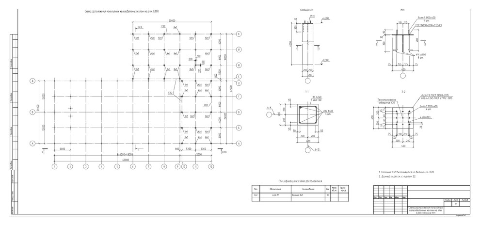
Здание складирования материалов с административными помещениями - одноэтажное, отдельно стоящее, состоящее из разновеликих объемов. . Размеры в плане - 60,0х42,0 м. . Высота здания - 10,0 м (в складской части); 4,2 м - в районе административных помещений. . Корпус склада выполнен в металлическом каркасе с ограждающими конструкциями стен из лёгких трёхслойных сэндвич-панелей. . Стропильные стальные фермы покрытия устанавливаются с шагом 6,0 м. . Корпус административный выполняется в каркасе с железобетонными колоннами, со стальными балками и прогонами, с ограждающими конструкциями стен из лёгких трёхслойных сэндвич-панелей. . Стадия проектирования - разработана стадия П. Стадия Р в разработке. . Стадия строительства - не начато.

Другие фотографии в проекте

Вопросы к фото 0

Задайте вопрос

Вам ответят эксперты. Пришлем уведомление, когда вам ответят