
Ремонт и отделка квартир и домов
4.96
·
10 отзывов
Ремонт двушки м. Новые Черемушки
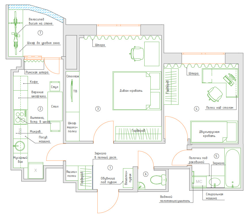
ИД 43548. Капитальный ремонт двухкомнатной вторички 46 кв.м. . . Нашей компанией был проведен капитальный ремонт вторичного жилья. Он начался с демонтажных работ: мы вскрыли пол, очистили стены, сняли прошлый потолок. В каждой комнате заменили радиаторы и подоконники. Заменили электрику и трубы, вывели горячую и холодную воду в кухонной зоне в скрытый короб, куда установили новую систему аквасторож. . . В жилых комнатах мы выровняли стены и наклеили обои. Так, в гостиной они серого цвета, что визуально увеличивает площадь комнаты. В спальне обои небесно-голубого цвета, действуя на психику умиротворяющим способом. . . В кухне, помимо светло бежевых обоев, мы выложили фартук белой плиткой-кабанчик. Учли все розетки в зоне готовки как под бытовую технику, так и под освещение. Также установили трековые светильники в середине кухни и еще одну люстру прямиком над обеденным столом. На потолке - декоративная штукатурка. . . Возвращаясь к освещению, трековые светильники установлены в каждой жилой комнате: в гостиной - в зоне отдыха, в спальне трек, по которому можно перемещать лампы, - в форме квадрата. . . А вот пол везде разный: в гостиной и спальне - из инженерной доски, в коридоре лежит один вид плитки, а в санузле и ванной - другой. Однако они отлично гармонируют между собой и вписываются в единую концепцию стиля. . . По всему дому, кроме кухни, установлен натяжной потолок с точечными светильниками. . . . Стоимость ремонта: 447 460 р. . Стоимость черновых материалов: 164 770 р.
Другие фотографии в проекте
Вопросы к фото 0
Задайте вопрос
Вам ответят эксперты. Пришлем уведомление, когда вам ответят
Коричневый, Маленький, Москва, Настенная и напольная плитка, Туалет, бежевая дверь, коричневая плитка, оформление санузла, плитка в туалет, плитка с узорами, раздельный санузел
Похожие фотографии

Реализованный проект квартиры под сдачу в аренду 70 кв..м
Идея дизайна: маленький туалет: освещение в современном стиле с открытыми фасадами, белыми фасадами, инсталляцией, коричневой плиткой, керамогранитной плиткой, коричневыми стенами, полом из керамогранита, подвесной раковиной, коричневым полом, подвесной тумбой и панелями на части стены для на участке и в саду
Вера Откидач

Реализованный проект квартиры под сдачу в аренду 70 кв..м
На фото: маленький туалет: освещение в современном стиле с открытыми фасадами, белыми фасадами, инсталляцией, коричневой плиткой, керамогранитной плиткой, коричневыми стенами, полом из керамогранита, подвесной раковиной, коричневым полом, подвесной тумбой и панелями на части стены для на участке и в саду с
Вера Откидач

гостевой санузел
Стильный дизайн: маленький туалет в современном стиле с плоскими фасадами, фасадами цвета дерева среднего тона, унитазом-моноблоком, коричневой плиткой, керамогранитной плиткой, коричневыми стенами, накладной раковиной, столешницей из ламината, коричневым полом, коричневой столешницей и встроенной тумбой для на участке и в саду - последний тренд
Елена Таратухина

Символ мироздания. Дизайн двухкомнатной квартиры
Пример оригинального дизайна: маленький туалет: освещение в современном стиле с плоскими фасадами, светлыми деревянными фасадами, инсталляцией, коричневой плиткой, керамогранитной плиткой, коричневыми стенами, полом из керамогранита, монолитной раковиной, коричневым полом, подвесной тумбой и любым потолком для на участке и в саду
АСК СИГНАЛ АСК СИГНАЛ

Символ мироздания. Дизайн двухкомнатной квартиры
Источник вдохновения для домашнего уюта: маленький туалет: освещение в современном стиле с плоскими фасадами, светлыми деревянными фасадами, инсталляцией, коричневой плиткой, керамогранитной плиткой, коричневыми стенами, полом из керамогранита, монолитной раковиной, коричневым полом, подвесной тумбой и любым потолком для на участке и в саду
АСК СИГНАЛ АСК СИГНАЛ

Символ мироздания. Дизайн двухкомнатной квартиры
Идея дизайна: маленький туалет: освещение в современном стиле с плоскими фасадами, светлыми деревянными фасадами, инсталляцией, коричневой плиткой, керамогранитной плиткой, коричневыми стенами, полом из керамогранита, монолитной раковиной, коричневым полом, подвесной тумбой и любым потолком для на участке и в саду
АСК СИГНАЛ АСК СИГНАЛ

Символ мироздания. Дизайн двухкомнатной квартиры
Свежая идея для дизайна: маленький туалет: освещение в современном стиле с плоскими фасадами, светлыми деревянными фасадами, инсталляцией, коричневой плиткой, керамогранитной плиткой, коричневыми стенами, полом из керамогранита, монолитной раковиной, коричневым полом, подвесной тумбой и любым потолком для на участке и в саду - отличное фото интерьера
АСК СИГНАЛ АСК СИГНАЛ

Рабочий кабинет с гостевым санузлом. Современный стиль и классика.
Источник вдохновения для домашнего уюта: маленький туалет в стиле неоклассика (современная классика) с плоскими фасадами, белыми фасадами, инсталляцией, коричневой плиткой, керамогранитной плиткой, коричневыми стенами, полом из керамогранита, коричневым полом и встроенной тумбой для на участке и в саду
Марианна Бесчетникова

Современная квартира для небольшой семьи
Свежая идея для дизайна: маленький туалет в современном стиле с плоскими фасадами, бежевыми фасадами, инсталляцией, коричневой плиткой, керамической плиткой, коричневыми стенами, полом из керамической плитки, накладной раковиной, столешницей из искусственного камня, коричневым полом, белой столешницей и подвесной тумбой для на участке и в саду - отличное фото интерьера
Ирина Хамитова

Квартира в центре
Свежая идея для дизайна: маленький туалет в стиле неоклассика (современная классика) с инсталляцией, коричневой плиткой, керамической плиткой, коричневыми стенами, полом из керамогранита, подвесной раковиной и коричневым полом для на участке и в саду - отличное фото интерьера
Anastasia Safonova

Современный интерьер в Новосибирске
Идея дизайна: маленький туалет в современном стиле с плоскими фасадами, белыми фасадами, инсталляцией, коричневой плиткой, керамогранитной плиткой, коричневыми стенами, полом из керамогранита, накладной раковиной и коричневым полом для на участке и в саду
Александр и Ирина Кутенковы

Гостевой дом Барвиха
На фото: маленький туалет в стиле кантри с коричневой плиткой, керамической плиткой, коричневыми стенами, полом из керамической плитки, накладной раковиной и коричневым полом для на участке и в саду
Михаил и Дмитрий Ганевич




