logo
ДНП СОЛНЕЧНОЕ. Дом + бассейн. Рабочий проект.

Другие фотографии в проекте ДНП СОЛНЕЧНОЕ. Дом + бассейн. Рабочий проект.

ДНП СОЛНЕЧНОЕ. Дом + бассейн. Рабочий проект.
ДНП СОЛНЕЧНОЕ. Дом + бассейн. Рабочий проект.
ДНП СОЛНЕЧНОЕ. Дом + бассейн. Рабочий проект.
ДНП СОЛНЕЧНОЕ. Дом + бассейн. Рабочий проект.
ДНП СОЛНЕЧНОЕ. Дом + бассейн. Рабочий проект.

Вопросы к фото 0

Задайте вопрос

Вам ответят эксперты. Пришлем уведомление, когда вам ответят

Осушитель, Традиционный, вентиляция СПА, вентиляция СПА-зоны, вентиляция бассейна, кондиционирование, рекуператор, система вентиляции, скрытая вентиляция, скрытое кондиционирование

Богданов Артур

Богданов Артур

Отопление; вентиляция; кондиционирование

Смотреть профиль

1

отзыв

5

Рейтинг

ДНП СОЛНЕЧНОЕ. Дом + бассейн. Рабочий проект.

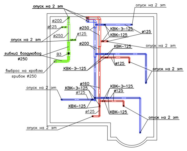
Задача: Строительная компания, которая проектировала и строила дом в ДНП Солнечное, обратилась в компанию AB Vent Group с задачей разработать систему вентиляции и кондиционирования загородного дома площадью 420 кв.м. с бассейном. . . Сложности с которыми столкнулись: заказчик не пожелал видеть никакие настенные или потолочные блоки кондиционеров, тк дизайн выдержан в классическом стиле, при этом было пожелание обеспечить регулировку температуры в каждом жилом помещении. . . Решение: В финально согласованном рабочем проекте задача вентиляции и кондиционирования жилой части решена с помощью вентиляционной установки с роторным рекуператором и встроенным холодильным контуром c тепловым насосом. Особенность системы в том, что для работы охлаждения не требуется установка на фасад наружного блока, а за счет рекуперации тепла/холода существенно экономится электроэнергия для охлаждения или нагрева воздуха. Задача регулировки температуры в каждом помещении решена за счет индивидуальных клапанов с приводом и отдельным регулятором потока воздуха для каждой жилой комнаты. . Вентиляция бассейна также обеспечивается вентиляционной установкой с рекуперацией. Дополнительно в бассейне запланирован осушитель воздуха Dantherm для снятия излишней влаги. . . Реализация проекта планируется на весну 2018 г.

Вопросы к фото 0