
Архитекторы
0
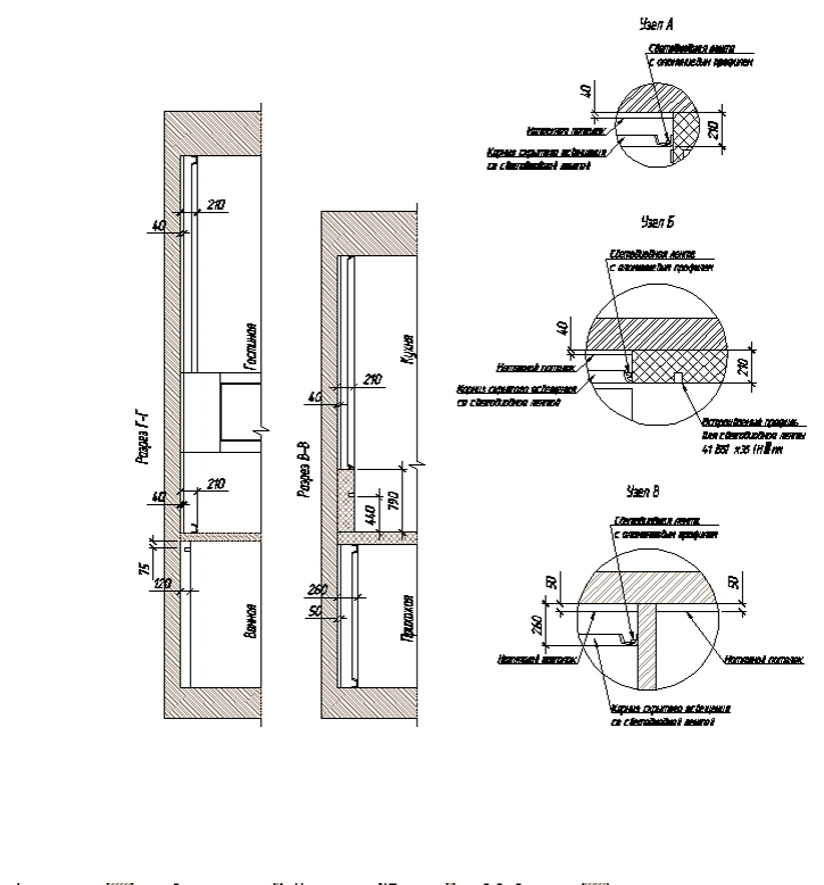
Дизайн освещения квартиры
Что входит в концепцию освещения квартиры? . - Визуализации . - Планы или развертки . - Разрезы или узлы . - План расположения выключателей . - Деление светильников на группы для создания сценариев освещения . - Проверка решений со светотехническим расчетом . - Ведомость светового оборудования с артикулами .
Другие фотографии в проекте
Вопросы к фото 0
Задайте вопрос
Вам ответят эксперты. Пришлем уведомление, когда вам ответят




